Majestic RC300-MAJ IPI+ Remote Control - RC300-MAJ
Majestic RC300-MAJ IPI+ Remote Control - RC300-MAJ
SKU:RC300-MAJ
Free Shipping on $99+ - No Tax
Couldn't load pickup availability
YOUR LOCAL AUTHORITY HAVING JURISDICTION MAY ENFORCE BUILDING CODES UNIQUE TO YOUR LOCALE.
REMEMBER: CONFORMITY TO YOUR LOCAL BUILDING CODES IS ULTIMATELY YOUR RESPONSIBILITY. THUS, THE IMPORTANCE OF WORKING WITH PROFESSIONALS LICENSED BY YOUR STATE LICENSING BODY.
Need help? Schedule a call with one of our Experts.
Schedule Phone Consult
Schedule a call with one of our Experts. Pick a time that works for you and we'll be there to answer any questions you have!
Request a quote for the best pricing available.
Request a Quote
White docking station, on/off, fan speed, flame high/low, pilot activation, AUX function, temp readout, thermostat mode, timer mode, battery strength indicator, auto battery backup
Installation and Operating Instructions
Features
IntelliFire Plus Multifunction Remote Control
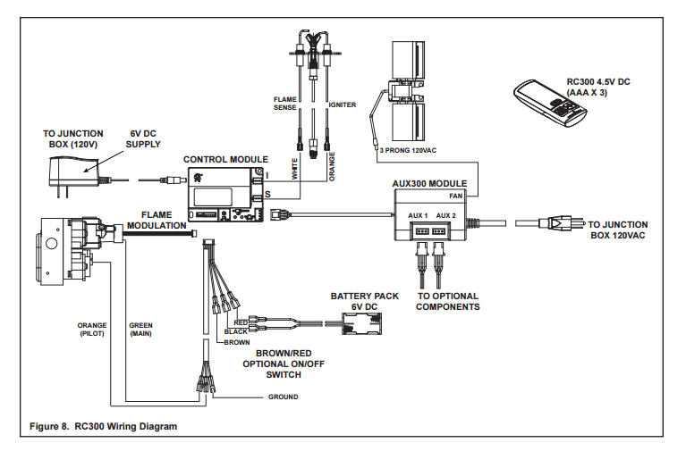
The RC300 multifunctional remote control is designed to control pilot light, flame height, blower speed, and up to two 120 VAC auxiliary functions on your gas fireplace.
The RC300 is equipped with thermostat functions which can automatically control the temperature in the room in which it is installed.
The control is only for use with the Hearth & Home Technologies IntelliFire Plus system (IPI). The AUX300 module is rated for 120 VAC, 60 Hz, and is required for operation of this remote control device.
Dimensions
Dimensions
Dimensions |
Specifications
Specifications
Specifications |
||
Product Details |
Technical Drawings
Technical Drawings
Installation Manual
Installation Manual
To Open the Installation Manual in another Window => Click Here
Warranty Policy
Warranty Policy
Exclusions from Warranty Coverage
- Provision of warranty services at the customer's location (on-site or in-home).
- Costs associated with removing parts prior to replacement.
- Installation of replacement parts or complete units.
- Labor expenses for diagnosing issues with potentially defective components.
- Initial installation costs and labor associated with installing warranty replacement parts.
To Open the Warranty Policy in another Window => Click Here

Prop 65 All Brands
Please see below for specific product warning labels. For additional information, please visit www.P65Warnings.ca.gov




